Mathies:Valves
Overview
This protocol includes all the parts to build the Mathies group Valves and Control System.
Materials
Sample Parts List
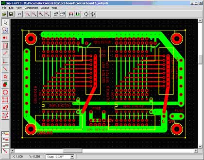
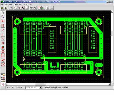
3.5" x 2.7" miniboard of PCB Board from www.expresspcb.com
You can download their design software, and submit through the software to get a design file.
Here's the image of PCB circuit board design:
Pump from Nor-Cal Controls (408)727-5756 www.norcal4air.com
12V Thomas 7011 Diaphragm Pump
Solenoids from Teco Pneumatic (925)426-8500 www.tecopneumatic.com
8 port manifold for solenoids (need three for 24 lines)
5V DC Solenoid Valve for vacuum (as many lines as you need, 330 mA each)
M3 Barbed fitting to 1/8" tubing (as many lines as you need)
Electronics from Jameco (800)831-4242 www.jameco.com
5V@12A and 12V@5A switching AC to DC power supply
3 pin connector housing (for 5V power connection to board, bags of 30, only need a couple)
8 pin connector housing (for solenoid connections to board, bags of 30, only need a couple)
16 pin header straight (for TTL connection to PCB board)
16 pin connector (attaches to ribbon and fits in header)
Fuse resettable, 3.0 A-H 6.0 A-T (you may want to change the fuses depending on the number of solenoids and thpump used)
18 pin low profile IC socket
Darlington chip ULN2803A
2 pin connector housing (for 12V power connection to board)
0.100" Male Breakaway Headers straight single row
0.100" Male Breakaway Headers straight double row
0.000" Female crimp pin (fits in the connector housings after crimping on end of wire)
Ribbon cable (50 line)
Control Cards from National Instruments
NI-PCI-6503 24 line digital I/O
Sample Labview Program for Pumping
Pneumatic pumps are controlled by Labview programs. Here's a sample pump program (zip file).
Assembling Valves Systems
Valve Operating Animations
To see the pumping sequence in video, click here.
References
Papers related to Valves
1 Original PDMS valve paper 2 Latching valve paper 3 Computing paper
Contact
- Eric Chu 22:10, 22 July 2009 (PDT):
- Samantha Cronier 19:25, 9 April 2009 (EDT):
or instead, discuss this protocol.






