Talk:DIYbio:Notebook/Open Gel Box 2.0/Power Supply
Gel Box Power Supply Discussion Page
Apr 11 2009 *jcline@ieee.org 12:02, 11 April 2009 (EDT):
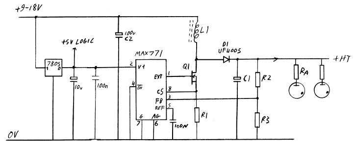
A small lightweight supply design to investigate is a voltage inverter, usually used in cars for powering home electronics. These have become very low cost due to the miniaturization of buck-boost converter electronics and the popularity of ipods, laptops, etc, used in a car. A 150W inverter made for europe (12VDC@10A input, 220VAC@0.5A output minimum) provides a noisy AC output (that electrophoresis doesnt care about) and high voltage to regulate down to electrophoresis levels. These inverters include USB +5V power nowadays (using LM7805 or etc small IC regulators) for charging ipods/etc. The chassis is a heat sink and a small fan is temperature regulated. Note: some very cheap inverters made in China/etc are known to have marginal internal components which are sometimes known to fry under rated conditions.
If using this for electrophoresis P/S design, a front-end +12VDC@2A supply is provided separately. The 220VAC output is stepped down and rectified to yield the desired electrophoresis voltages. Note, there is a bit of "black magic" involved in creating these high step inverters, since small changes in PCB trace layout can affect the oscillations of the entire circuit (not unlike biology, eh?).
Feb 15 2009 *jcline@ieee.org 18:56, 15 February 2009 (EST):
Another possible feature is gel-over-temperature shutoff, to save the gel from overheating. To go along with a future Peltier cooling feature on the gel box. Temp sensor would add <$2 to the design: +/- 1C accuracy over -50C to +150C. What is maximum runnable temperature for the gel, so that P/S should shut off before that temp is reached? With microcontroller support, a feedback loop could provide max-voltage setting to "run as fast as possible with highest voltage but don't fry the gel" automatically.
Feb 15 2009 *jcline@ieee.org 18:56, 15 February 2009 (EST):
Commercial supply comparison:
- Edvotek DuoSource
- http://www.edvotek.com/images/507.jpg
- The DuoSource™ is fully compatible with all EDVOTEK® electrophoresis units*. The unit generates DC power of 70 volts with a maximum current of 250 mA. The unit is equipped with an easily replaceable slow burn fuse and is constructed with all UL approved parts. $140
- EdvoTek EVT 300 Dual Power Source (70/125 V)
- http://www.edvotek.com/images/509.jpg
- Designed for DNA or protein electrophoresis, The EVT 300 Dual Power Source is fully compatible with all EDVOTEK® electrophoresis units*. The unit generates DC power of 70 or 125 volts with a maximum current of 250 mA. The unit is equipped with an easily replaceable slow burn fuse and is constructed with all UL approved parts. $185
- EdvoTek PowerStation™ (70/125 V for 1 to 4 units)
- http://www.edvotek.com/images/510.jpg
- PowerStation™ is designed to power any combination of up to four horizontal or vertical electrophoresis units, providing enough power for an entire classroom!* The unit generates DC power of 70 or 125 volts with a maximum current of 850 mA. The unit is equipped with an easily replaceable slow burn fuse and is constructed with all UL approved parts. $265
- EdvoTek TetraSource™ 300 (10-300 V for 1 to 4 units)
- TetraSource™ 300 is our all-digital electrophoresis power source designed to power any combination of horizontal or vertical electrophoresis units*. It features an easy-to-use fully programable interface for setting voltage, current or timer control with each parameter displayed in real-time and the ability to pause or resume the program at any point. Voltage is adjustable in 1 volt increments from 10 to 300 V and current is adjustable in 1 mA increments from 4 to 400 mA. The unit is CE certified and EN-61010 compliant. $365
- Carolina Electrophoresis Power Supply
- Model CBS-I. A low-cost power supply designed for teaching. Will run 2 gel boxes simultaneously. Has 3 constant-voltage settings for electrophoresis runs of overnight, 2 hr, and 45 min for most mini-gel boxes. Durable aluminum case with a lighted on/off power switch has 3-wire cord with ground. Uses 0.5-A fuse. Input: 110- or 220-V AC; output: max 200 mA. Voltage: 15, 85, and 130 V per channel. * 213672 is for U.S. customers. $231.00 * 213672B is for international customers. $307.00
- Carolina™ Electrophoresis Power Supply (Mini)
- A low-voltage power supply designed to run low-voltage applications. Two-channel design allows for running 2 gel boxes simultaneously. Five voltage settings from 10 to 60 V in 10-V increments. Designed for use with the Exploring Electrophoresis Series. $95.50
- sciencekit.com Kilovolt Power Supply
- This power supply is particularly suitable for operating cathode ray tubes that require 0-5000V, DC. It delivers a maximum current of 60 μA, with less than 0.3% ripple. A voltmeter on the front panel is calibrated from 0-6 kV. Output is continuously variable from 100-5000V, DC. This unit also supplies 6.3V, AC at 2 A to operate filament tubes. For operation on 120V, AC at 50/60 Hz. $???
- sciencekit.com Electrophoresis Power Supply
- Allows you to regulate the electrical parameters used so that you can control the type of band separation produced. It also can run up to two gel chambers at once. Features include a digital readout of voltage or amps, short circuit and overload LED, audio warning signal, solid-state circuitry, and 0.5A fuse. Power output is 20 to 250V in 10V increments; maximum 500mA. 120/240V AC. Comes with 1.68m cord. Size is 22cm x 14cm x 11cm. $485.00
- sciencekit.com PowerStation Power Supply
- EDVOTEK®'s PowerStation is designed to power any combination of up to 4 horizontal or vertical electrophoresis units (only three HexaGel Electrophoresis Apparatus), providing enough power for an entire classroom. It generates constant voltage at settings of either 70 or 125 volts, with a maximum current of 850 milliamps. Safety features include a fused ul approved three-pronged power plug and a non-conductive casing. The unit is equipped with an easy-to-replace 1 Amp slow burn fuse. The EVT PowerStatin is backed by a limited warranty and free technical support. $265
- sciencekit.com 5kV Power Supply
- Continuously variable output from 100V to 5KV is displayed on a 0 to 5KV digital voltmeter in this durable power supply. Its E.H.T. circuits are fully floating, enabling the positive and negative terminals to be grounded for certain applications. The E.H.T. outputs are taken from 4 mm sockets and provide 100V to 5KV at 3mA or current limited to 60mA. A center tapped socket is also provided to give ±2.5KV output. An additional pair of 4 mm sockets at 19 mm spacing offer 6.3 VAC at 2A for filament supplies. The power supply is hosed in a metal case and includes an illuminated on/off switch mounted on the rear panel. CSA approved. Specifications: DC Range: 0–5,000VDC, variable. Current: 3 mA. Power Requirements: 110 VAC, 60 Hz. Dimensions: 25 x 20 13cm. Weight: 1.3 kg. $500
Feb 11 2009 *User:Philip McIntosh 16:43 (CST):
I was looking at the most recent issue of Nuts and Volts magazine yesterday and was struck by a letter requesting help with a high voltage power supply. The author had a schematic for a 330VDC, 100mA supply and he wanted advice on how to boost it to 500VDC. Lo and behold, the figure he provided was one and the same as Figure 3 posted below! The expert went on to describe some interesting and useful improvements to that circuit. I should have a version of the Figure 3 circuit (hopefully with an increased 300mA output) within a day or so.
Not only that, but later in the same issue was an article describing how to build a DC voltage doubler circuit using a MOSFET. It claimed the maximum safe input to the doubler was about 75VDC. Since this circuit can supply up to 20A it seems like a good thing to investigate as well.
Feb 2 2009 *jcline@ieee.org 16:16, 2 February 2009 (EST):
Commercial product comparison: /nucleic_acid_gel_electrophoresis/DNA-Band-Extraction.html E-Gel® CloneWell
has "automatic shutoff feature" (in addition to adjustable timer).
Jan 31 2009 *jcline@ieee.org 15:20, 31 January 2009 (EST):
Changing "minimum specs" of p/s to match conference call.
Brief convo with "better faster media"; this is appropriate for "gel system 3.0" if using their reagents:
- They run at 400V to 2500V. The supply they would recommend is either of the below from Thermo Scientific.
- EC1000XL - 500 mA 1000 V 250 W
- EC3000XL - 400 mA 3000 V 400 W
Jan 30 2009 *jcline@ieee.org 22:55, 30 January 2009 (EST):
Minor trivia: the "Pneumadyne 8-Valve Manifold" used in stanford microfluidics uses solenoid valve pumps, each run at +12VDC @ 1.3W. So total power = 8*1.3W = 10.4W. No current spec for this, just mentioned in case the p/s supplies power for these peripherals or is reused for similar devices.
Jan 27, 2009 *User:Philip McIntosh:
In searching around for electronics parts I have been comparing prices a lot (Mouser, DigiKey, Allied, Newark, and others). The best prices with a pretty reasonable selection I have found are at Futurlec, although I haven't yet purchased anything from them.
Another place to get cool parts (but you never know what they are going to have) is American Science and Surplus.
Addendum: Two other interesting places are All Electronics and Surplus Sales of Nebraska.
Jan 17, 2009 *jcline@ieee.org 02:46, 17 January 2009 (EST):
If anyone wants to try building & using a nixie supply, there are kits available with all parts included & pro-looking silk screened PCB's.
This kit is $16 though only outputs 10mA so it may not work, though interesting experiment (180v): http://www.ledsales.com.au/cart.php?target=product&product_id=52&category_id=16
This surface mount supply is variable 150-220VDC @ 50 mA output. Input is 12VDC@1000mA from a GlobTek transformer adapter (aka: common wall wart)... which means a PC's ATX supply would also do for the +12V (overkill of course). Only $50 pre-assembled! http://www.ogilumen.com/nixie-tube-power-supply-p-91.html See the attached PDF. It looks like they use a custom inductor.
and, http://www.electricstuff.co.uk/nixpsu.html
It should be possible to modify the voltage range lower. However for higher current carefully check the PCB, since the traces may not support higher current (at the high voltage). These supplies are ipod-nano size, because the current is so low.
Jan 13, 2009 Philip McIntosh
Here is the Nixie power supply schematic mentioned by J. Cline. Posted with permission from http://www.electricstuff.co.uk/nixpsu.html, courtesy of Mike Harrison.
Figure 4. Nixie power supply schematic
Jan 11, 2009 Jason Morrison
"Sodium boric acid: a Tris-free, cooler. conductive medium for DNA electrophoresis."
With a sodium boric acid buffer (which they strongly recommend - see paper), for a 10cm gel, they went from 75min @125V (their standard for TAE/TBE buffer) to 16min @ 350V, or 35V/cm.
Jan 10, 2009 (Phil McIntosh 0938)
Figure 3. 300 VDC variable power supply circuit
Jan 08, 2009
I put together a bridge rectifier + RC, drawing from a variac, today, seems to give pretty stable voltage in the 0-180VDC range. The variac should give 120Hz oscillations, and the RC should do some decent smoothing. If you do this, be careful! We blew a couple bridge rectifiers before putting a resistor before the capactior to slow its [dis]charge cycle. I'll put it on the oscilloscope in a day or two, and see how well this does.
The bridge rectifier was like $2.50 for 400V/8A rating at radio shack. Notes and pictures: http://jayunit.net/2009/01/08/kitmakers-class/
Jan 08, 2009 Added link to Gel Box 2.0 Draft specification at top of page.
Jan 08, 2009
Comments from Peter Wendt, provider of the power supply schematic in Figure 1 below:
The supply itself is fairly well known and there had been discussions on those already on various newsgroups for instance. It is simple, it is easy to build, it uses only "generic" parts and is relatively cheap - however limited.
The downsides are the transformers (weight, size and losses) and the fact that you should keep an eye on the total power drawn from the "intermediate stage" and the high voltage end as well until the feeding transformer gets overloaded. Results might be better if the driving transformer is significantly bigger than the driven transformer - which adds more legroom for the low voltage supply picked in the middle.
But the circuitry suffices many needs. I use a similar supply for a small tube amplifier:
http://www.mcamafia.de/tubes/soc/soc_en.htm
(which is a link within http://www.mcamafia.de/tubes/keksdose/cookiebox.htm)
It does not work *that* well, since the transformers I picked are a tad too small, but it shows the principle quite well.
Jan 07, 2009
How about something like this:
Figure 1. 12/230 VDC power supply circuit
(Circuit Courtesy of Peter Wendt)
Or this (looks like pulse output, but probably doesn't matter that much):
Figure 2. Variable HV DC power supply circuit
(Version 1.93, Copyright © 1994-2005, Samuel M. Goldwasser, All Rights Reserved, For contact info, please see the Sci.Electronics.Repair FAQ Email Links Page. Reproduction of this document in whole or in part is permitted if both of the following conditions are satisfied: 1. This notice is included in its entirety at the beginning. 2. There is no charge except to cover the costs of copying.)
Can anyone get a hold of this paper:
Analytical Biochemistry, Volume 137, Issue 1, 15 February 1984, Pages 156-160, An economic “power supply” using a diode for agarose and polyacrylamide gel electrophoresis, Y. Kadokami, K. Takao and K. Saigo
- This is an interesting paper; *jcline@ieee.org 18:40, 8 January 2009 (EST):
- They show that a simple unregulated half-wave supply works fine for running gels. This means ripple is not an issue.
- "1 to 2.5 V/cm" is found to work best for gels. Need to check the Gel Box 2.0 physical measurements to calculate total voltage for the P/S.
- This is an interesting paper; *jcline@ieee.org 18:40, 8 January 2009 (EST):
Jan 06, 2009
Is there any way to move the power supply discussion from the diybio mailing list to this page? Should we? We could make diybio post inviting the interested parties to come here, and sign in (like on a contributors page -- is there a way to add more pages?). I'd like to see us have a meeting, get organized, and make some progress. Phil...
Prior Mailing list discussions
- Jonathan Cline, Wed, 07 Jan 2009 00:13:08 -0600
Yes, I think this approach is the best way to go: use an off the shelf
switching supply as the master supply (probably a computer supply - very
ubiquitous), then add step up circuit(s). Choosing whether LM317 is
appropriate or not is premature, before design criteria are established.
These questions are important:
- what is the maximum noise allowed in the voltage? (someone mentioned
voltage fluctuations are not important; this could be a factor since different
designs might trade off "perfectly flat DC" for some ripple in the output)
- what is the maximum noise allowed in the current?
- is the voltage limted to a range? Yes ; 20v-600v
- is the current limited to a range? <- this is the important one
- what is the total power dissipation?
Answer all these before proceeding further with the design. Other interesting
questions might be.. what is the slew rate requirement (how fast does the
voltage need to go from 0v to maximum, once it is switched on, and how fast
does it need to go back to 0v, when switched off); likely this is "slow is ok".
What is the resolution of the voltage steps, i.e. does the setting need to be
+/- 1v, or +/- 10v, or +/- 100v?
Web surfing today, I saw some comments on a blog (presumably from a bio lab
guy) that "I always run my gels current limited to 100mA in the lab". It
seems different people set different current limits; other guys said they were
setting 250mA, or 300mA, or 400mA.
P total = V * I to calculate maximum power needed for the master supply (add
30% to 50% for overheat loss; which is mostly heat).
If 100mA and 600v, then it's ~60W.
If 100mA and 100v, then it's ~10W.
At the range of <20W, then a much smaller supply could be used as the master.
For example, optimal might be a laptop supply brick, which are very common, and
price -vs- value makes it very cheap; you won't be able to build a good master
supply for what they now manufacture in china & sell computer or laptop
supplies at discount..
If current limiting is a factor in electrophoresis, then you will want a
constant current circuit as well as voltage doubler after the master supply.
I dont think the PDF you quoted is applicable, once you answer the "how much
current" question; it seemed applicable for small milliamp range only (" the
maximum output current reaches 1 mA"). Define the Specs first, then design
second.
Why is variable voltage even needed?
If "DIY, Inc." controls the entire process (gel box + power supply + agar kit +
buffer kit) then the voltage should not need to be varied, and can be fixed.
There are times when it is suitable to force a standard into place, just by
picking one, and not allowing choice. Standardizing the process may be one way
to simplify the protocols, remove "choice" from the user's feature list, and
simplify the design too.
Just an idea - I don't know if this is applicable in this case. Variable
voltage might be needed in labs to optimize protocols, or as a multi-use
supply, or maybe "because I like 245 volts and I've always used that voltage
anyway, and I ain't changing it". If the entire process is already optimized
by the manufacturer (i.e. Jason), then why need to change the voltage? Thus,
the p/s is part of the gel box 'system design'. Everything can be optimized to
work together. The drawback is that the components may not be interchangeable
with other boxes or protocols. This drawback may be a good tradeoff.
- JonathanCline, Tues, Jan 6 2009 8:56 am
On Jan 5, 10:11 pm, "Meredith L. Patterson" <clonea...@gmail.com> wrote: > > On Mon, Jan 5, 2009 at 7:26 PM, Jason Morrison > > > > <jason.p.morri...@gmail.com> wrote: >> > > A timer also seems to be a good feature. > > > > I'd just use a microcontroller for that. Prototype it on an arduino, > > use pushbutton switches or a potentiometer to set the time (you can > > even use a couple of 7-segment LEDs, or a $10 LCD, to display the time > > and a countdown). I've already prototyped something nearly identical, > > also on an arduino, for the DIY electroporator; for the final version > > it'll be a $3 Atmel AVR. Add a piezo speaker to make it beep when it's > > done or whatever. Although microcontrollers might be cheap nowadays, using a microcontroller should always be avoided if possible, using analog or discrete electronics (non-software parts) instead. The microcontroller adds a lot of complexity to the circuit and a lot of opportunity for software bugs. Especially in a power circuit. A simpler to build, more foolproof to error, timer circuit is to use a 555 timer chip in one-shot mode. Example circuits are widespread. Use 556 for two timers in one chip. The time can be modified with a potentiometer (volume knob). The resolution and repetition is set with fixed components (resistors + capacitors). The design criteria are: - the timer doesn't need high resolution - the maximum time can be fixed in the circuit, and time control can vary linearly in that range - the timer can be automatically set by the power supply voltage (click the "600v" setting and the timer is set to X mins; click the "100v" setting and the timer is set to Y mins) - the potentiometer can be calibrated so that the scale marking reads approximate times (i.e. "45 mins" might mean 45 mins ± 1 minute) The "Faster Better Media" also mentions that running a gel with a stepped voltage supply can decrease total time. i.e. run at 500V for X mins, then run at 50v for Y mins. This could be done with a dual timer circuit. > > The fancy-schmancy (but broken) Bio-Rad electrophoresis power supply I > > have does two outputs, and each can be programmed separately to run a > > timed sequence. This sort of logic is not difficult to program and I > > really don't get why the supply costs thousands of dollars. The > > green-and-white box is pretty, but not that pretty. What is the total power requirement for running gels. Some of the commercial supplies are listed as 25W or 50W. It would be a bad idea to "hook the gel up to the wall outlet" as someone mentions later. Bad, bad, bad. The user might end up researching the life-after-death experience. The main purpose of a regulated supply is to regulate voltage and current: limit voltage for proper operation of the circuit and limit current to limit safety issues. Internationalization is also important. A supply which plugs into AC120V/60Hz for north america is worthless in europe and much of asia, since those countries are AC200V/50Hz. It might be a better design to use a common international switching supply (a small 60W computer power supply) and add a voltage multiplier to step up the voltage to the desired gel voltage; this allows the wall-side to plug into international power. The power supply could also be physically tied to the gel itself for thermal regulation. In the "Faster Better Media" references, it mentions that running high voltage gels for fast operation has the drawback of excessive heat dissipation, and too much heat can ruin the experiment. The power supply can be thermally regulated by mechanically coupling the gel box to the power supply regulator (that means, bolt a block of metal to both the gel box and the regulator chip). Because the regulator chip has a built-in thermal shutoff (some of these are programmable as well, by voltage input), the power supply can be made to decrease in voltage as temperature rises, or stop supplying after a voltage threshold. This is a discrete circuit design, not microcontroller based (which is better, because it won't have software). ## Jonathan Cline


