Uploads by Philip McIntosh
From OpenWetWare
				
				
				Jump to navigationJump to search
				
				
This special page shows all uploaded files.
| Date | Name | Thumbnail | Size | Description | 
|---|---|---|---|---|
| 05:10, 26 February 2009 | PS Experiment on Phils Bench.jpg (file) | 237 KB | LM783 power supply bench test by Phil McIntosh | |
| 05:09, 26 February 2009 | LM783 100mA 60-115VDC.jpg (file) | 175 KB | LM783 prototype power supply on perf board by Phil McIntosh | |
| 02:53, 16 January 2009 | PS Top Banner.png (file) | 9 KB | ||
| 02:33, 16 January 2009 | Power Supply Header.png (file) | 20 KB | ||
| 14:02, 13 January 2009 | Nixpsu.gif (file) | 27 KB | Nixie Power Supply Schematic (Courtesy of http://www.electricstuff.co.uk/nixpsu.html) | |
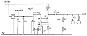
| 16:28, 11 January 2009 | 300vsup.gif (file) | 4 KB | 300 VDC variable power supply schematic | |
| 01:47, 8 January 2009 | Hvgen32.tiff (file) | 2.01 MB | Figure 2. Variable DC HV Power Supply | |
| 01:39, 8 January 2009 | Hvgen32.pdf (file) | 18 KB | Figure 2. Variable DC HV power supply | |
| 00:54, 8 January 2009 | Nix psu1.jpg (file) | 40 KB | PS diagram 1 |