Paul Magnano: Week 5 Individual Journal

From OpenWetWare
Jump to navigationJump to search

User: Paul Magnano BIOL398-03/S13:Week 5

Saccharomyces Genome Database

  • Which of these genes has a homolog (similar gene related by descent) in humans? What disease does a deficiency of this gene cause in humans? GDH2 has a homolog in humans and it is GLUD1 & GLUD2. Deficiencies of these in hmans causes hyperinsulinism-hyperammonemia syndrome as well as other neurological disorders.
  • How is the expression of each of these genes regulated?
    • GDH1:regulated by ethanol and glucose. expression is high with either carbon source.
    • GDH2:Transciptional regulation by elements that are upstream activation sites (2) and elements that inhibit these UAS's. One UAS activates transcription during growth on nonfermentable carbon sources with limited glucose. The other UAS is controlled by nitrogen catabolite repression (NCR). Ammonia concentration regulates expression independant of nitrogen catabolite repression.
    • GDH3:regulated by ethanol and glucose.expression is induced by ethanol, and inhibited by glucose.
    • GLN1:regulated by ammonia concentration
    • GLT1:regulated by GLN3 activation and glutamate repression. This is dependant on glutamate and nitrogen concetration.
  • Using the compound search tool of SGD, search on "L-glutamate". How many pathways does it participate in?
  • Find the SGD representation of the pathway we are working on in class and attach a screenshot and hyperlink to your journal page. Choose the one that shows all of the reactions we talked about in class and make sure you can relate it to your notes, matching the genes, enzyme names, and reactants/products.

[link to SGD superpathway]

  • What parameters for these reactions can you find using this database? HINT: the literature portion of the individual gene pages may be helpful. You can find the parameters for carbon and nitrogen feeds for these reactions on the SGD database.

KEGG

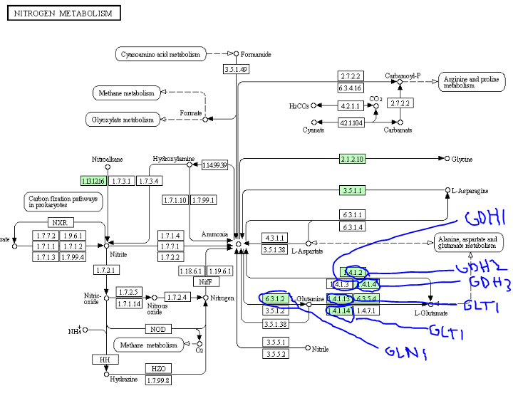
  • Take a screenshot of the pathway and then edit it in a graphics program (PowerPoint would work for this) to circle and label the enzymes we are talking about in class. KEGG uses enzyme commission numbers instead of gene or enzyme names to label the reactions. These numbers are a classification system for the type of enzymatic reaction carried out by the enzyme.

nitrogen metabolism pathway from KEGG

  • KEGG also uses a system where a "master" summary pathway compiled from many different organisms is then highlighted with the organism-specific enzymes/genes. How many genes in this pathway exist in yeast? There are nine (the green boxes) that exist in yeast as well as other organisms.
  • Click on each of the five enzymes of our pathway and read the individual enzyme pages. Is there any new information here that was not represented by SGD? Kegg shows the nucleotide and amino acid sequence somethin that SGD does not.

Reactome

  • Take a screenshot of the pathway and then edit it in a graphics program (PowerPoint would work for this) to circle and label the enzymes we are talking about in class.