Koch Lab:Protocols/Loading rate clamp

From OpenWetWare
Jump to navigationJump to search

Calculation of instantaneous stiffness correction factor (G)

The key to the "loading rate clamp" that Steve implemented for the dynamic force spectroscopy (DFS) of protein-DNA interactions by unzipping DNA (see PMID 12906513) was the ability to analyze the point-by-point data and calculate the instantaneous stiffness of the system. This was possible due to the good agreement between the force-extension curve of ssDNA and the extensible freely-jointed chain model (Smith, Bustamante et al. 1996).

The piezo (or AOD) stretch rate is scaled by the value of the instantaneous stiffness of the system.

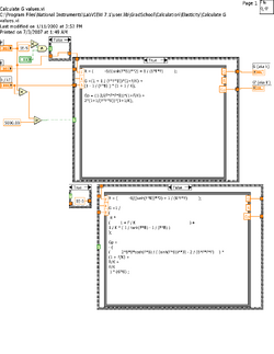
Picture of LabVIEW code

LabVIEW VI

Media:Calculate G values.vi

Code documentation from early 2003

Here is the documentation from my LabVIEW sub-VI which calculates the "G" value, which is used in the loading rate clamp for unzipping DNA:

G is defined as "inverse of compliance per nm of ssDNA"...uh? say what?

G is basically stiffness multiplied by contour length, so that it has units of pN, and is independent of length of ssDNA.

The model is Smith, et al. FJC with stretch modulus.

I solved the equations by hand, but verified numerically that they are correct (to within a very small percentage, which is as careful as i was about numerical derivative)

I have added code so that it works above F = 5000 pN, but I'm not sure it's correct (who cares?)